Published:2009/6/19 3:38:00 Author:May | From:SeekIC


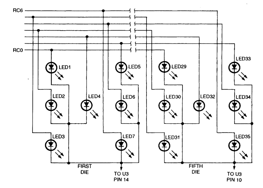
Using a microcontroller (U2) keeps the parts count and the cost of this 5-dice LED display relatively low. Z-dice uses five clusters of seven LEDs to represent the marks or pips on five dice. Buttons below each of the LED dice let the player mark a die to be rolled on the next throw. Marked dice show up as dimmed LEDs. Pressing the button to the right of the display rolls the marked dice. If the player changes his or her mind about rolling a particular die before pressing the roll button, he or she can un-mark it by pressing its button a second time. If no dice are marked at the time the player presses the roll button, then all of the dice are marked to be rolled. A second press starts them rolling, animating the LEDs of the marked dice for a second or so before displaying the results of the roll. Z-Dice doesn't count rolls or keep score, so it's still up to the players to make sure that nobody cheats!This diagram shows the wiring details of the dice display. For space and simplicity, only the first and last dice are shown. A programmed microcontroller is needed for this circuit. Refer to the original article for software.
Reprinted Url Of This Article:
http://www.seekic.com/circuit_diagram/Basic_Circuit/Other_Circuit/Z_DICE_GAME.html
Print this Page | Comments | Reading(3)
Code: