Published:2011/6/30 1:16:00 Author:Nicole | Keyword: ozone disinfector | From:SeekIC

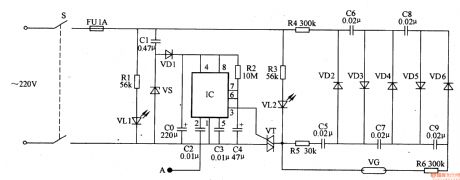
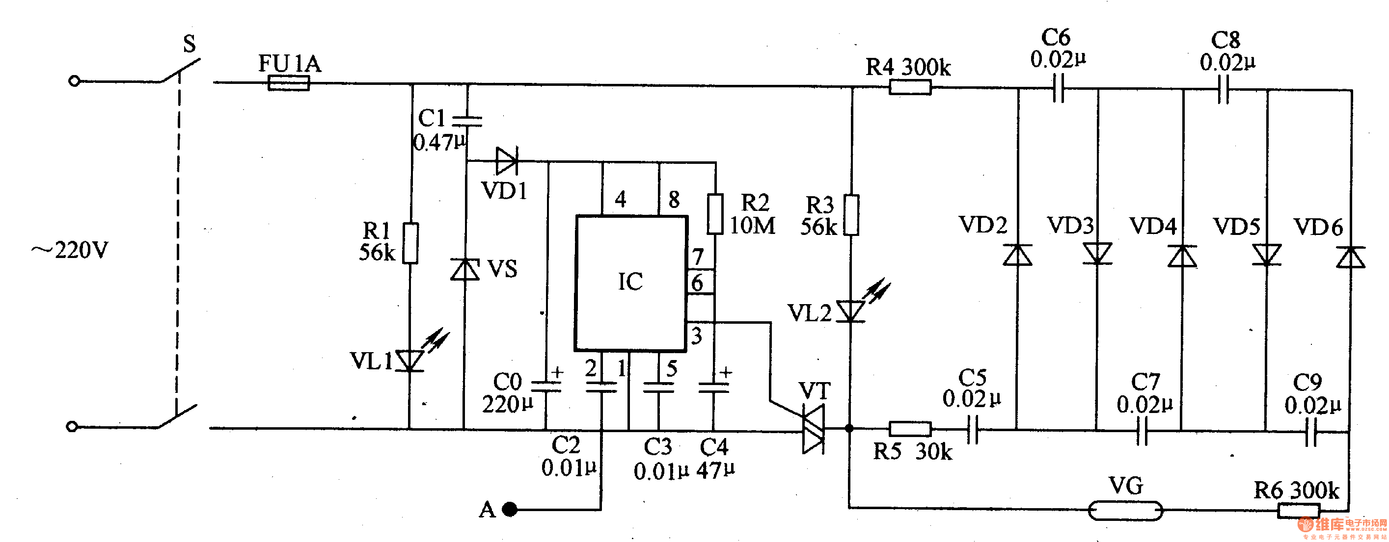
The ozone disinfector circuit is composed of delay circuit, power supply circuit, double-pressure ozone generation circuit and some correlative components, it is shown in the figure 9-107.
The delay circuit is made of time base integrated circuit IC and capacitors C2, C4.
The power supply circuit consists of steady voltage diode VS, rectifier diode VD1, capacitors C1, C0.
The double-pressure ozone generation circuit is composed of rectifier diode VD2-VD6, capacitors C5-C9, resistor R6, ozone tube VG.
Reprinted Url Of This Article:
http://www.seekic.com/circuit_diagram/Basic_Circuit/Ozone_disinfector_10.html
Print this Page | Comments | Reading(3)
Code: