Published:2009/7/12 23:04:00 Author:May | From:SeekIC

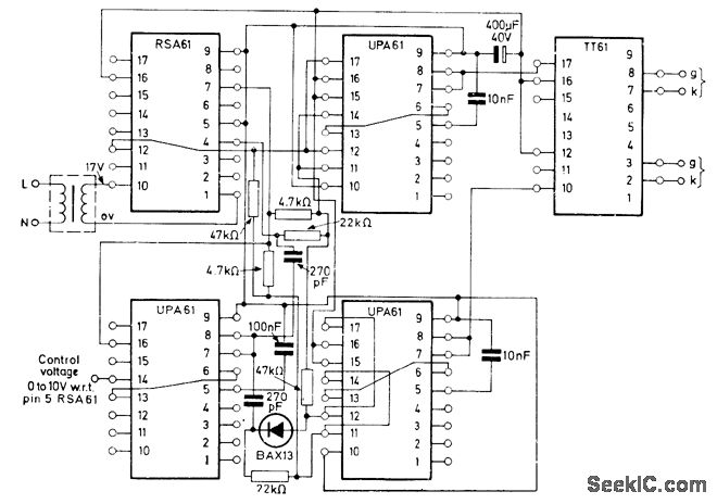
Uses Mullard modules for converting DC power to AC at high power levels for such applications as driving induction motors at higher speeds than are obtainable with line frequency. DC control voltage of 0-10 V varies output frequency up to 400 Hz.UPA61 modules provide functions of level detector, pulse generator, ramp generator, capacitor discharge circuit, and bistable MVBR for parallel inverter system. RSA61 and TT61 are trigger modules, with RSA61 also providing power supplies for other modules.- Universal Circuit Modules for Thyristor Trigger Systems (61 Series), Mullard, London, 1978, Technical Information 66, TP1660, p 19.
Reprinted Url Of This Article:
http://www.seekic.com/circuit_diagram/Basic_Circuit/PARALLEL_INVERTER_DRIVE.html
Print this Page | Comments | Reading(3)
Code: