Published:2009/7/15 4:55:00 Author:Jessie | From:SeekIC

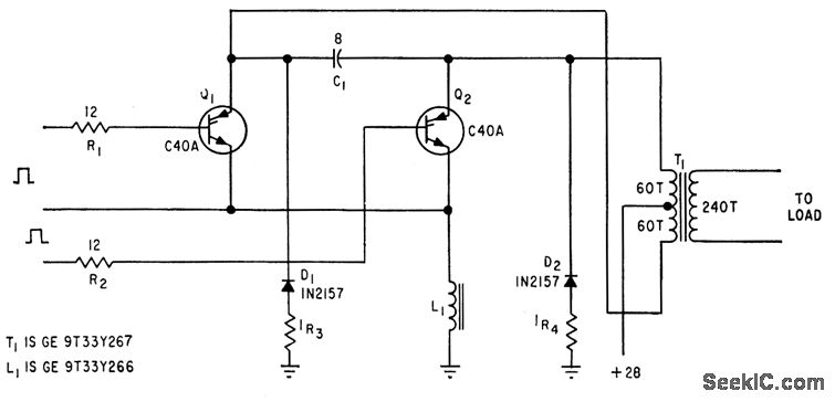
Produces square-rave output under all load conditions, without creating high voltages across silicon controlled rectifiers during light loads.-D. V. Jones, Turn-Off Circuits for Controlled Rectifiers, Electronics, 33:32, p 52-55.
Reprinted Url Of This Article:
http://www.seekic.com/circuit_diagram/Basic_Circuit/PARALLEL_INVERTER_FOR_REACTIVE_LOADS.html
Print this Page | Comments | Reading(3)
Code: