Published:2009/7/15 22:33:00 Author:Jessie | From:SeekIC

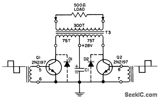
Receives square-wave inputs from separate drive circuit (not shown), causing Q1 to conduct half the time while Q2 is blocking, and vice-versa. Current from 28-v supply flows alternately through halves of transformer primary, to produce 400-cps a-c voltage across load.- Transistor Manual, Seventh Edition, General Electric Co., 1964, p 235.
Reprinted Url Of This Article:
http://www.seekic.com/circuit_diagram/Basic_Circuit/PARALLEL_SQUARE_WAVE_D_C_TO_A_C_INVERTER.html
Print this Page | Comments | Reading(3)
Code: