Published:2009/7/6 20:57:00 Author:May | From:SeekIC

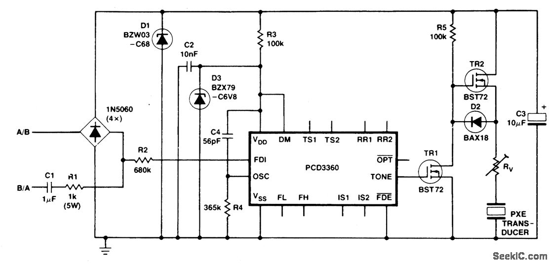
Two BST72 transistors provide an output voltage swing almost equal to the voltage at C3. Pins IS1 and IS2 are inoperative because DM = HIGH. Volume control is possible using resistor RV.
Reprinted Url Of This Article:
http://www.seekic.com/circuit_diagram/Basic_Circuit/PCD3360_Ringer_With_PXE_Transducer_.html
Print this Page | Comments | Reading(3)
Code: