Published:2009/7/15 0:05:00 Author:Jessie | From:SeekIC

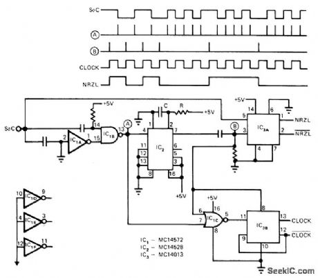
Three CMOS ICs provide decoding of Manchester (split-phase) PCM signals by generating missing mark which should occur NRZL at each change of level data to recover original clock frequency. Retriggerable mono MVBR NHZL times out at slightly longer than half of original clock frequency. Signal levels are TTL-compatible. Values of C and R depend on system frequency. Other resistors are 15K, and other capacitors are 470 pF.-M. A. Lear, M. L. Roginsky, and J. A. Tabb, PCM Signal Processor Draws Little Power, EDN Magazine, April 20, 1975, p 70.
Reprinted Url Of This Article:
http://www.seekic.com/circuit_diagram/Basic_Circuit/PCM_DECODER.html
Print this Page | Comments | Reading(3)
Code: