Published:2009/7/14 21:39:00 Author:May | From:SeekIC

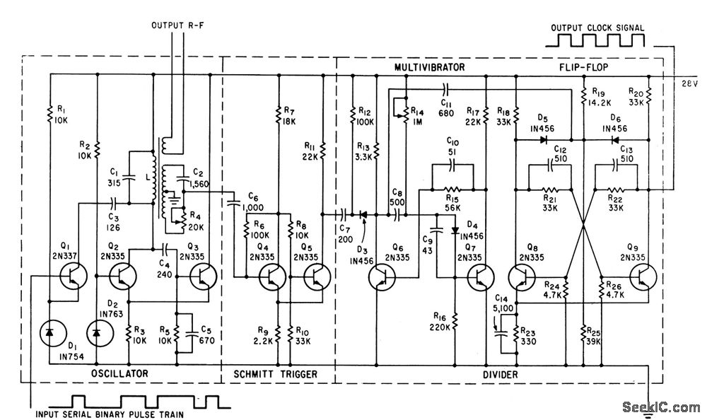
Coherently switched oscillator, 90° phase shifter, Schmitt trigger, and frequency-dividing multivibrator and flip-flop together derive constant-frequency square-wave output clock signal from frequency-shifted subcarrier oscillator of f-m/f-m telemetry system.-R. C. Onstad, New Coherent Keyer Simplifies Pulse-Code Telemetry, Electronics, 35:26, p 71-73.
Reprinted Url Of This Article:
http://www.seekic.com/circuit_diagram/Basic_Circuit/PCM_FREQUENCY_REFERENCE.html
Print this Page | Comments | Reading(3)
Code: