Published:2009/7/16 2:21:00 Author:Jessie | From:SeekIC

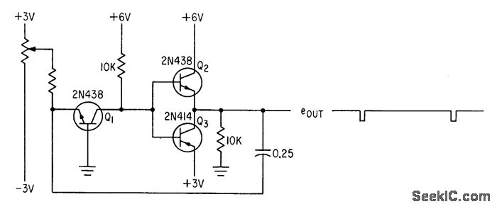
Reversal of current and volt-age functions of basic three-transistor phantastron sweep generator results in pulse output that is derivative of sawtooth sweep.-N. C. Hekimian, Phantastron Circuits Using Transistors, Electronics, 34:8, p 46-47.
Reprinted Url Of This Article:
http://www.seekic.com/circuit_diagram/Basic_Circuit/PHANTASTRON.html
Print this Page | Comments | Reading(3)
Code: