Published:2009/7/15 20:39:00 Author:Jessie | From:SeekIC

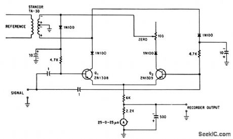
Amplifed output of cc bridge is compared with ctc reference signal. When both are in phcse, d-c output to recorder is maximum of one polarity. For 180°phase difference, output is maximum of opposite polarity, and is zero for phase-quadrature.-W. A. Rhine-hart and L. Mourlam, FET Performs Well In Balancing Act, Electronics, 38:19, p 88-92
Reprinted Url Of This Article:
http://www.seekic.com/circuit_diagram/Basic_Circuit/PHASE_DISCRIMINATOR_FOR_A_C_BRIDGE.html
Print this Page | Comments | Reading(3)
Code: