Published:2009/7/15 3:49:00 Author:Jessie | From:SeekIC

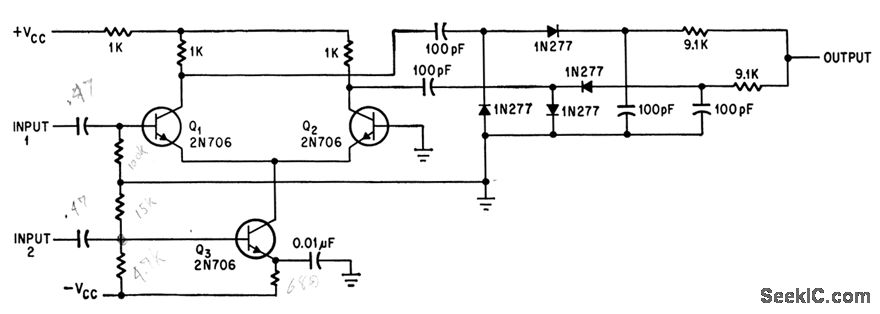
Operates over range of 1kc to 20 Mc without need for tuning. In phase-locking applications, both inputs may be single-ended. Output voltage is proportional to phase difference between input signals.-H. F. Strenglein, Phase Demodulator Needs no Tuning, Electronics, 38:20, p 99.
Reprinted Url Of This Article:
http://www.seekic.com/circuit_diagram/Basic_Circuit/PHASE_SENSITIVE_DEMODULATOR_1.html
Print this Page | Comments | Reading(3)
Code: