Published:2009/7/20 2:33:00 Author:Jessie | From:SeekIC

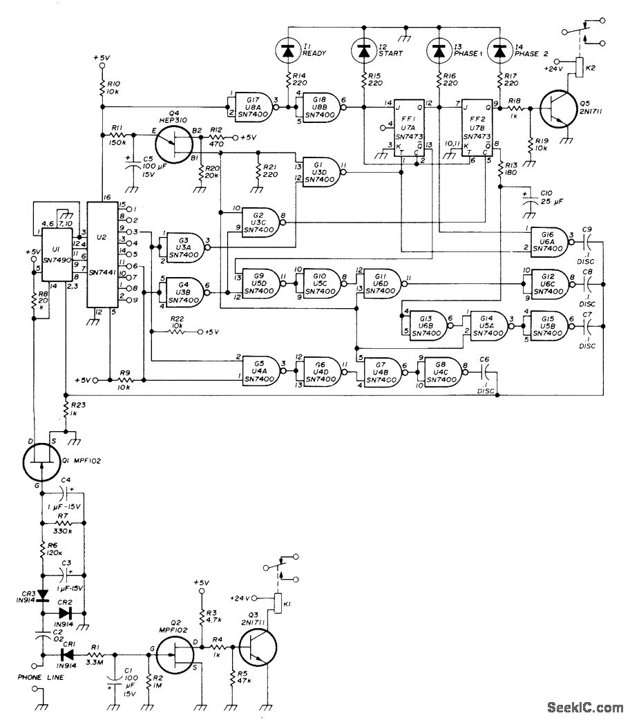
Repeater or other unattended equipment can be turned on or off with ordinary telephone Phone at remote station is called and allowed to ring three times Caller then hangs up, waits 20 s, redials number and lets it ring three times again, then hangs up. Circuit then performs desired control function. Any combination of rings can be used as long as total is less than nine. Decoder U2 is programmed by moving two jumper wires to various outputs of U2. Relay K2 is chosen to give desired momentary, latching, or stepping function. Relay K1 is used for validating phone line, If remote station keying voltage is taken through contacts of K1, interruption of phone line prevents activation of transmitter. C1 stores voltage during brief interruptions such as when phone is ringing. Article gives detailed explanation of ring-counting circuit. LEDs 11-14 indicate status of control sequence and aid in troubleshooting. K1 and K2 are sensitive DPDT relays with 8000-ohm coils. R11 is selected for desired time setting.-R. C. Heptig, Automatic Telephone Controller for Your Repeater, Ham Radio, Nov. 1974, p 44-48.
Reprinted Url Of This Article:
http://www.seekic.com/circuit_diagram/Basic_Circuit/PHONE_RING_REMOTE_CONTROL.html
Print this Page | Comments | Reading(3)
Code: