Published:2009/7/1 1:44:00 Author:May | From:SeekIC

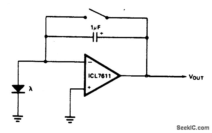
Low leakage currents allow integration times up to several hours.
Reprinted Url Of This Article:
http://www.seekic.com/circuit_diagram/Basic_Circuit/PHOTOCURRENT_INTEGRATOR.html
Print this Page | Comments | Reading(3)
Code: