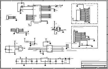
Published:2013/1/29 21:28:00 Author:muriel | Keyword: PIC18F2550, Project Board | From:SeekIC

Reprinted Url Of This Article:
http://www.seekic.com/circuit_diagram/Basic_Circuit/PIC18F2550_Project_Board.html
Print this Page | Comments | Reading(3)
Code: