Published:2009/7/1 4:32:00 Author:May | From:SeekIC

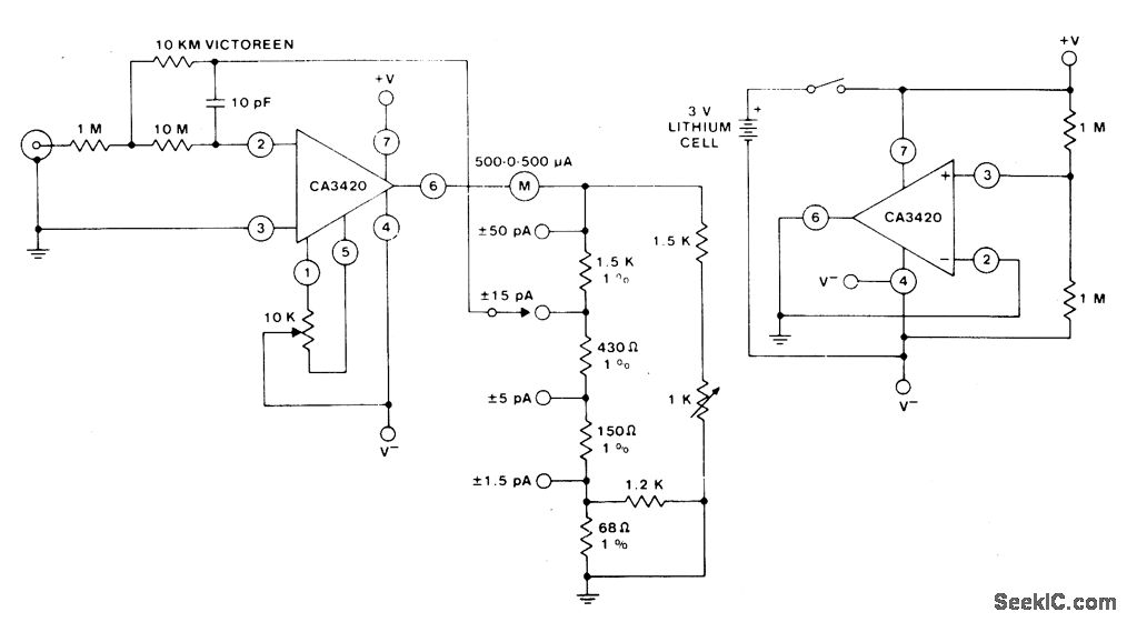
The circuit uses the exceptionally low input current (0.1pA) of the CA3420 BiMOS op amp. With only a single 10 megohm resistor, the circuit covers the range from ± 50 pA maximum to a full-scale sensitivity of ± 1.5 pA. Using an additional CA3420, a low-resistance center tap is obtained from a single 3-volt lithium battery.
Reprinted Url Of This Article:
http://www.seekic.com/circuit_diagram/Basic_Circuit/PICOAMMETER_CIRCUIT.html
Print this Page | Comments | Reading(3)
Code: