Published:2009/7/14 20:45:00 Author:May | From:SeekIC

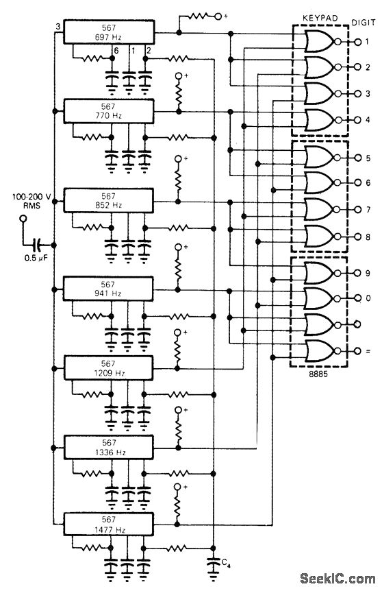
Seven 567 PLLs sense presence of selected tones from common 100-200 VBMS input line, while 8885 NOR gates perform necessary decoding logic to generate decimal outputs. Circuit takes advantage of good frequency selectivity provided by lock-and-capture ranges of PLLs, as required for discriminating against many tones.-E. Murthi, Monolithic Phase-Locked Loops-Analogs Do All the Work of Digitals, and Much More, EDN Magazine, Sept. 5, 1977, p 59-64.
Reprinted Url Of This Article:
http://www.seekic.com/circuit_diagram/Basic_Circuit/PLL_TOUCH_TONE_DECODER.html
Print this Page | Comments | Reading(3)
Code: