Published:2009/7/14 4:34:00 Author:May | From:SeekIC

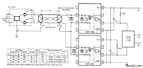
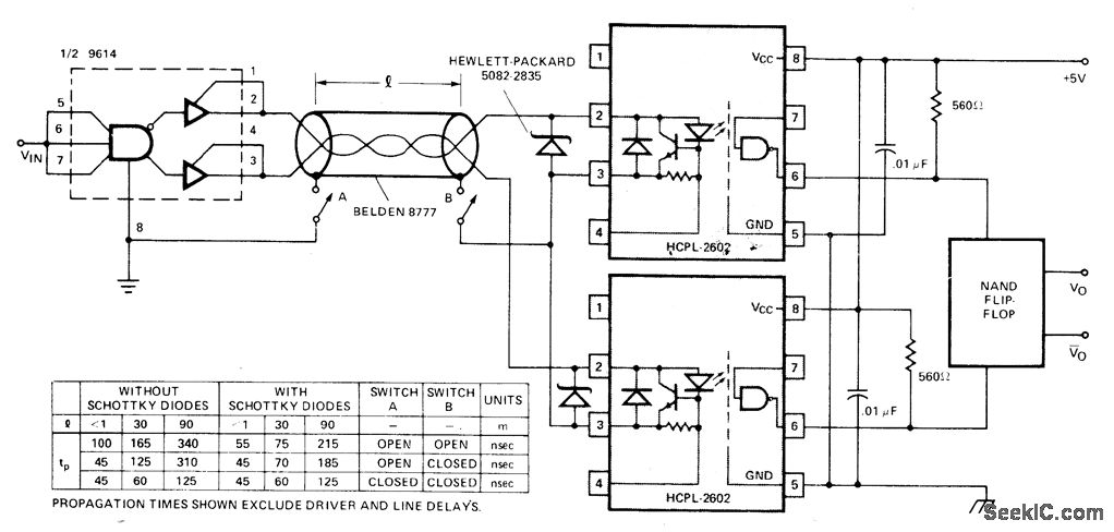
PHASE DRIVE-Half of 9614 polarity-reversing line driver feeds pair of Hewlett-Packard HCPL-2602 optically coupled line receivers through coax cable. Cable-grounding switches A and B change performance Closing only switch B enhances common-mode rejection but reduces propagation delay slightly. Closing both switches optimizes data rate. Schottky diodes at receiver inputs improve data rate, NAND flip-flop at output greatly improves system noise rejection in split-phase termination of line.- Optoelectronics Designer's Catalog 1977, Hewlett-Packard, Palo Alto,CA,1977,p158-159.
Reprinted Url Of This Article:
http://www.seekic.com/circuit_diagram/Basic_Circuit/POLARITY_REVERSING_SPLIT.html
Print this Page | Comments | Reading(3)
Code: