Published:2009/7/15 22:36:00 Author:Jessie | From:SeekIC

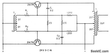
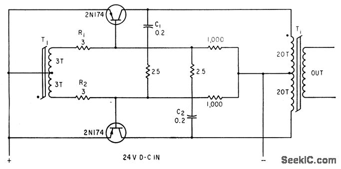
Base resistors R1 and R2 allow addition of cross-coupled positive-feedback capacitors C1 and C2 to increase high-frequency gain of feedback loop and provide energy storage to drive oaf transistor fully on when core saturates.-A. G. Lloyd, Speed-Up Circuits Improve Switching of Transistor Inverters, Electronics, 34:45, p 92-94.
Reprinted Url Of This Article:
http://www.seekic.com/circuit_diagram/Basic_Circuit/POSITIVE_FEEDBACK_BOOSTS_SWITCHING_SPEED.html
Print this Page | Comments | Reading(3)
Code: