Published:2009/7/7 1:45:00 Author:May | From:SeekIC

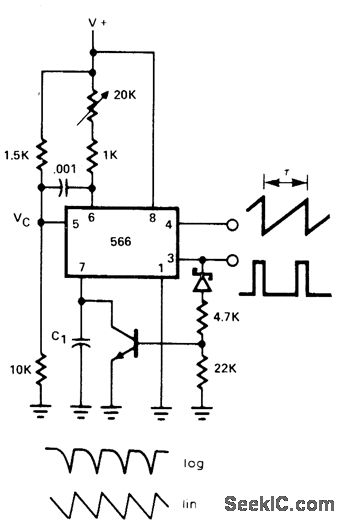
NPN transistor across timing capacitor C1 of 566 function generatorgives fast charging of capacitoratend of dischargeperiod, for positive ramp having very fast reset. Period of ramp is equal to 1/2f where f is normal freerunning frequency of 566 as determined by supply voltage and RC values used.- Signetics Analog Data Manual, Signetics, Sunnyvale, CA, 1977, p 851.
Reprinted Url Of This Article:
http://www.seekic.com/circuit_diagram/Basic_Circuit/POSITIVE_RAMP.html
Print this Page | Comments | Reading(3)
Code: