Published:2009/7/1 5:31:00 Author:May | From:SeekIC


Circuit Notes
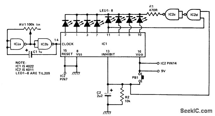
This is a circuit for a game of the shooting gallery variety. IC2a and b form an astable multivibrator clocking IC1 which causes LEDs 1-8 to flash in turn LED 5 is the target LED and the object of the game is to depress PBI just as LED 5 comes on. If this is done, the whole display is blanked for a few seconds signifying a hit. Otherwise, the LED which was lit remains lit. When the push button is released, C2 dis-charges through R2 taking 8 pin 13 low again and the LEDs will start to flash again.
Reprinted Url Of This Article:
http://www.seekic.com/circuit_diagram/Basic_Circuit/POT_SHOT.html
Print this Page | Comments | Reading(3)
Code: