Published:2009/6/29 2:31:00 Author:May | From:SeekIC

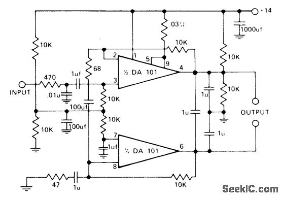
Bridge configuration is theoretically capable of 4 times power output of conventional quasicomplementary or complementary-sym metry amplifier. Use of bridge circuit in automotive AMiFM stereo re-ceiver requires suitable protection of modules. Article covers incorporation of protective controls in single module with dual opamps.-E. R.Buehler and B. D. Schertz, Fault Protection of Monolithic Audio Power Amplifiers in Severe Environments, IEEE Transactions on Consumer Electronics, Aug. 1971, p 418-423.
Reprinted Url Of This Article:
http://www.seekic.com/circuit_diagram/Basic_Circuit/POWER_OPAMPS_IN_BRIDGE.html
Print this Page | Comments | Reading(3)
Code: