Published:2009/7/14 4:23:00 Author:May | From:SeekIC

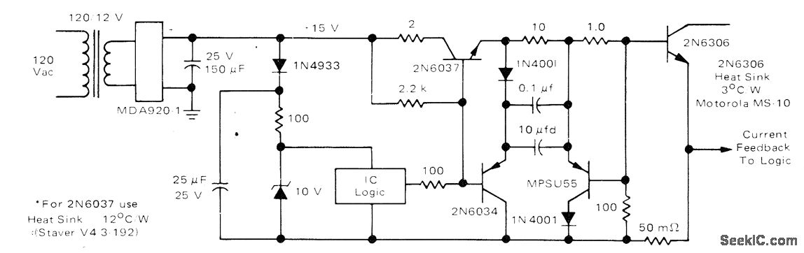
Circuit operating from 12-V step-down transformer includes push-pull driver providing interface between logic drive signal and 2N6306 high-voltage power transistor. Switching is provided at 3 A and 20 kHz, with artificial negative bias supply created from single positive supply to improve fall time. Current limiting is added to base current to limit overdrive and reduce storage time. Power switch is turned off by forcing IC to logic low. Used in 24-V 3-A switching-mode power supply operating from AC line.- R. J. Haver, A New Approach to Switching Regulators, Motorola, Phoenix, AZ, 1975, AN-719,p5.
Reprinted Url Of This Article:
http://www.seekic.com/circuit_diagram/Basic_Circuit/POWER_SWITCH_FOR_SWITCHING_REGULA_TOR.html
Print this Page | Comments | Reading(3)
Code: