Published:2009/7/10 2:08:00 Author:May | From:SeekIC

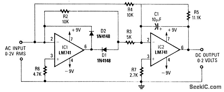
A dc level is produced that corresponds to the ac input rms value (if sine wave). R1/C5 set the gain of IC2 to 1.11. This factor is the average-to-rms conversion factor. IC1 and IC2 act as a full-wave rectifier circuit, with D1 and D2.
Reprinted Url Of This Article:
http://www.seekic.com/circuit_diagram/Basic_Circuit/PRECISION_FULL_WAVE_ac_dc_CONVERTER.html
Print this Page | Comments | Reading(3)
Code: