Published:2009/7/1 2:30:00 Author:May | From:SeekIC

Reprinted Url Of This Article:
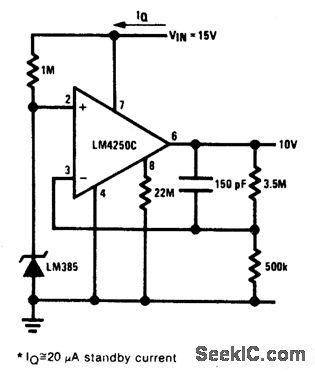
http://www.seekic.com/circuit_diagram/Basic_Circuit/PRECISION_REFERENCE_MICROPOWER_10_V_REFERENCE.html
Print this Page | Comments | Reading(3)
Code: