Published:2009/7/15 3:08:00 Author:Jessie | From:SeekIC

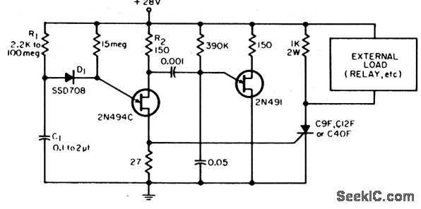
Gives time delays over 3 minutes without need for tantalum or electrolytic capacitor. Timing capacitor C1 can be mylar unit. Application of power in itiates timing of power, which is determined by R1-C1. Al end of interval, 2N494C fires other scr, to place supply voltage across load.-D. V. Jones, Precision Solid-State Delay Circuit, EEE, 11:12, p 26-27.
Reprinted Url Of This Article:
http://www.seekic.com/circuit_diagram/Basic_Circuit/PRECISION_SCR_DELAY.html
Print this Page | Comments | Reading(3)
Code: