Published:2009/7/15 6:03:00 Author:Jessie | From:SeekIC

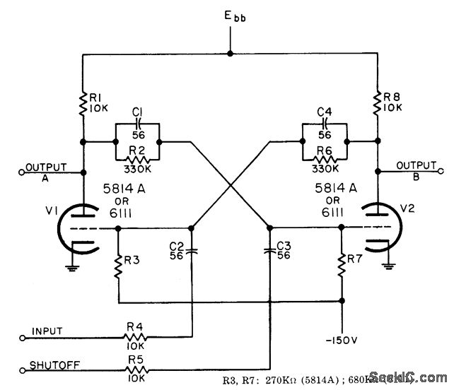
In response to negative trigger, generates voltage steps of opposite polarity at the two outputs. Has no timing function, so second trigger is needed to restore circuit to initial state. Used as radar gate. Requires 150 V plate supply For 6111 and 300 V for 5814A. -NBS, Handbook Preferred Circuits Navy Aeronautical Electronic Equipment, Vol. I, Electron Tube Circuit, 1963, PC 42, p 42-2.
Reprinted Url Of This Article:
http://www.seekic.com/circuit_diagram/Basic_Circuit/PREFERRED_BISTABLE.html
Print this Page | Comments | Reading(3)
Code: