Published:2009/7/14 23:26:00 Author:Jessie | From:SeekIC



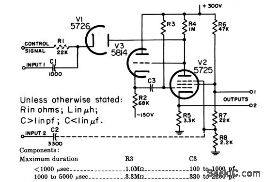
Generates rectangular waveform whose duration is almost directly proportional to control signal. Used to produce movable markers on radar display and to time-modulate pulse in accordance with variable quantities such as antenna position. Maximum recovery time is 40microsec. Control signal is 20 to 240V .input 1 is -15V,and input 2 is -10V.-NBS. Handbook Preferred Circuits Navy Aeronautical Electronic Equipment. Vol.1,Electron Tube Circuits,1963,PC 57,p57-2.
Reprinted Url Of This Article:
http://www.seekic.com/circuit_diagram/Basic_Circuit/PREFERRED_FAST_RECOVERY_PHANTASTRON_DELAY.html
Print this Page | Comments | Reading(3)
Code: