Published:2009/7/15 6:00:00 Author:Jessie | From:SeekIC

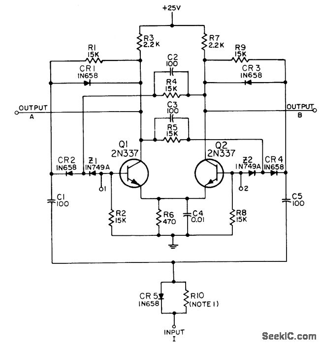
Used for frequency division of pulse trains when high stability is required. Cascade connection with appropriate feedback can provide any desired ratio. Also useful for coding, gating, and synchronizing. Maximum operating rate is up to 1 Mc.-NBS, Handbook Preferred Circuits Navy Aeronautical Electronic Equipment, Vol. II, Semiconductor Device Circuits, PSC 15 (originally PC 253), p 15-2.
Reprinted Url Of This Article:
http://www.seekic.com/circuit_diagram/Basic_Circuit/PREFERRED_NONSATURATING_BISTABLE.html
Print this Page | Comments | Reading(3)
Code: