Published:2009/7/14 23:35:00 Author:Jessie | From:SeekIC

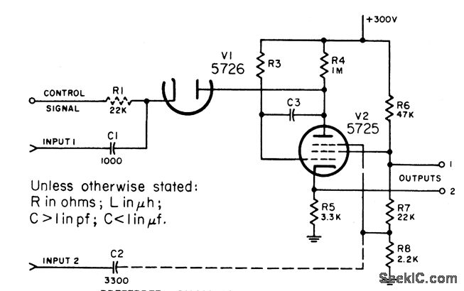
Accepts 20 to 280V control signal, 15-V negativepulse at input 1, and 20-V positive pulse at input 2. Output is +60V, and output is -10V. R3 can be 1 to 3.3 meg and C3 100 to 1,200pf, depending on minimum and maximum duration desired.-NBS, Handbook Preferred Circuits Navy Aeronautical Electronic Equipment, Vol. I, Electron Tube Circuits, 1963 PC 56, p56-2.
Reprinted Url Of This Article:
http://www.seekic.com/circuit_diagram/Basic_Circuit/PREFERRED_PHANTASTRON_DELAY.html
Print this Page | Comments | Reading(3)
Code: