Published:2009/7/16 2:04:00 Author:Jessie | From:SeekIC

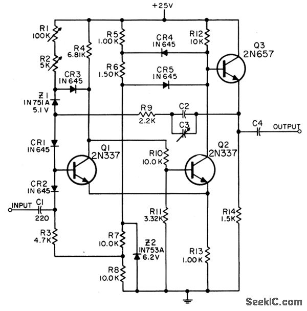
Uses multivibrator to generate rectangular gate waveform whose duration is directly proportional to setting of potentiometer and is relatively independent of temperature effects. Used to produce movable markers for radar displays. Input signal is negative, from 10 to 20 V. Output is 12.5 V, with gate width adjustable from 10 to 10,000 microsec by changing values of R1 and C2.-NBS, Handbook Preferred Circuits Navy Aeronautical Electronic Equipment, Vol. II, Semiconductor Device Circuits, PSC 16 (originally PC 252), p 16-2.
Reprinted Url Of This Article:
http://www.seekic.com/circuit_diagram/Basic_Circuit/PREFERRED_VARIABLE_GATE_GENERATOR.html
Print this Page | Comments | Reading(3)
Code: