Published:2009/7/2 22:17:00 Author:May | From:SeekIC

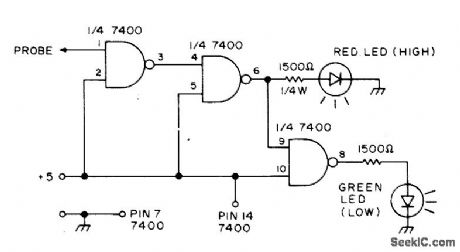
Red LED comes on to indicate thattest point is at high logic level, while green LED signifies low level. Circuit uses one 7400 quad dualinput NAND gate.-S. Uhrig, Check Logic with This Simple Probe, 73 fidagazine, Dee. 1974, p 76.
Reprinted Url Of This Article:
http://www.seekic.com/circuit_diagram/Basic_Circuit/PROBE.html
Print this Page | Comments | Reading(3)
Code: