Published:2009/7/5 21:35:00 Author:May | From:SeekIC

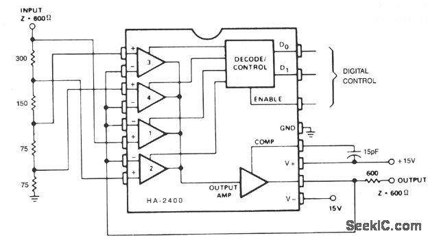
This circuit performs the function of dividing the input signal by a selected constant (1, 2, 4, 8, etc.).While T, Z, or L sections could be used in the input attenuator, this is not necessary since the amplifier loading is negligible and a constant input impedance is maintained. The circuit is thus much simpler and more accurate than the usual method of constructing a constant impedance ladder, and switching sections in and out with analog switches. Two identical circuits can be used to attenuate a balanced line.
Reprinted Url Of This Article:
http://www.seekic.com/circuit_diagram/Basic_Circuit/PROGRAMMABLE_ATTENUATOR.html
Print this Page | Comments | Reading(3)
Code: