Published:2009/7/2 3:08:00 Author:May | From:SeekIC

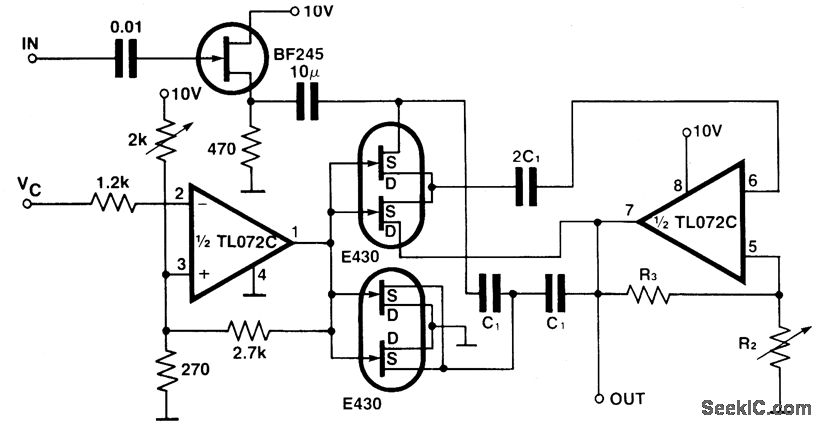
The circuit gives a programmable bandpass where both the cut-over frequency andthe gain,A,are controlled independently.In the twin-T bridge the resistors R and R/2 are replaced by two double FETs,E 430,the channel resistance of the first one in thesenes,the channel resistances of the second one are in parallel as to stimulate the resis-tance R/2. Both these resistors are controlled by Vc which ranges from 0 V to about1 V. The gain of the circuit is set by means of the resistors R2 and R3.
Reprinted Url Of This Article:
http://www.seekic.com/circuit_diagram/Basic_Circuit/PROGRAMMABLE_BANDPASS_USING_TWIN_T_BRIDGE.html
Print this Page | Comments | Reading(3)
Code: