Published:2009/7/10 4:54:00 Author:May | From:SeekIC

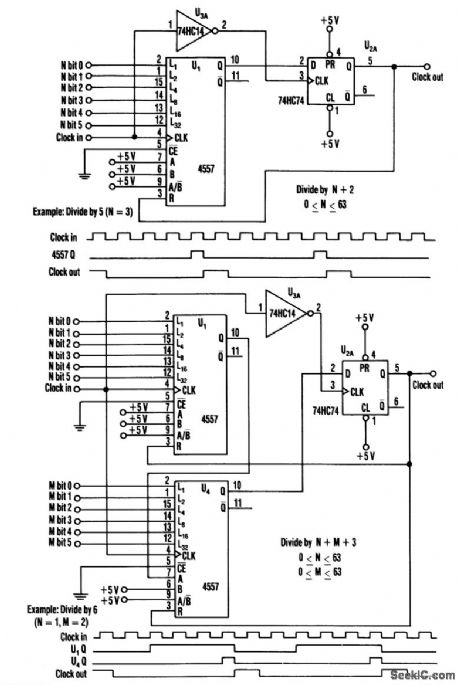
This divider uses a variable-length shift register, a type-D flip-flop, and an inverter. The clock feeds the flip-flop clock input and the output of the shift register feeds the D input of the flip-flop. The FF output is tied back to the reset input of the shift register so that each clock pulse shifts a 1 into the 4557. N+ 1 cycles after the reset pulse is removed. The first 1 will propagate through the register output. The 1 is latched into the FF on the clock's next falling edge and fed back to the 4557 reset pin, which resets the shift register to zero. When a zero is clocked into the flip-flop on the next falling clock edge, the reset is removed, restarting the process. The divide ratio is (N+2), where N = the binary number that is programmed into 4557.
Reprinted Url Of This Article:
http://www.seekic.com/circuit_diagram/Basic_Circuit/PROGRAMMABLE_FREQUENCY_DIVIDER.html
Print this Page | Comments | Reading(3)
Code: