Published:2009/7/11 3:07:00 Author:May | From:SeekIC

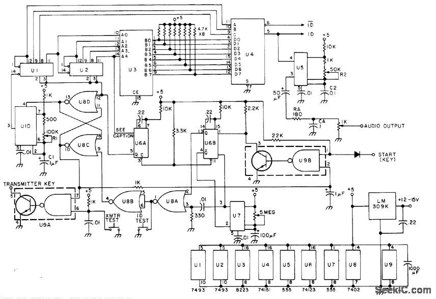
Call letters stored in 8223 PR0M U3 drive 74151 multiplexer/data selector U4 for keying NE555 audio oscillator U5 which feeds transmitter mike input through RA.Timed holdoff keeps identifier from being rekeyed within spedfied time period, with reiden.tifying at end of period. Article covers operation of circuit and gives construction and programming details,ID with a PROM,73 Magazine, Nov,1976,p 90-92.
Reprinted Url Of This Article:
http://www.seekic.com/circuit_diagram/Basic_Circuit/PROM_CW_IDENTIFIER.html
Print this Page | Comments | Reading(3)
Code: