Published:2009/7/23 23:03:00 Author:Jessie | From:SeekIC

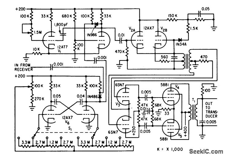
Uses pulsed Hartley oscillator operating at either 85 or 135 kc, followed by push-pull driver amplifier, push-pull power amplifier, and power amplifier that feeds 72-ohm transducer through step-down transformer Q1. Oscillator operates for 1-millisec period controlled by V1, which in turn is triggered by negative pulse coming from receiver through free-running mvbr V6.-H. F. Messias, UItrasonics Measures Flow Velocity of Rivers, Electronics, 34:41, p 56-59.
Reprinted Url Of This Article:
http://www.seekic.com/circuit_diagram/Basic_Circuit/PULSED_30_W_TRANSMITTER.html
Print this Page | Comments | Reading(3)
Code: