Published:2009/7/7 8:44:00 Author:May | From:SeekIC

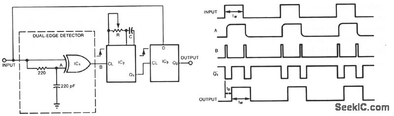
A single monostable multivibrator delays a pulse train by a variable amount; nonetheless, this amount can be no less than the minimum allowed pulse width tw The exclusive-OR gate, IC1, generates a short pulse following every leading or falling edge of the input waveform. These pulses cause one-shot IC2 to produce a negative-going pulse with a duration equal to the desired time delay tp which you set by adjusting potentiometer R. Flip-flop IC3 then creates a delayed replica of the input pulse by latching the Q1 out-put of IC2 between positive-going transitions. You can independently control the output-pulse duration by cascading a second one shot with the first.
Reprinted Url Of This Article:
http://www.seekic.com/circuit_diagram/Basic_Circuit/PULSE_DELAY_WITH_DUAL_EDGE_TRIGGER.html
Print this Page | Comments | Reading(3)
Code: