Published:2009/7/6 22:01:00 Author:May | From:SeekIC

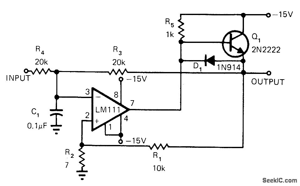
LM111 comparator serves with single transistor to provide pulse-train output whose average value is proportional to input voltage. Frequency of output is relatively constant but pulse width varies .Pulse-ratio accuracy is 0.1%. Circuit can be used to drive power stage of high-efficiency switching amplifier, or as pulse-width/pulse-height multiplier. Article tells how circuit works.-R.C. Dobkin, Comparators Can Do More than Just Compare, EDN Magazine, Nov. 1, 1972, p34-37.
Reprinted Url Of This Article:
http://www.seekic.com/circuit_diagram/Basic_Circuit/PULSE_RATIO_MODULATOR.html
Print this Page | Comments | Reading(3)
Code: