Published:2009/7/16 1:36:00 Author:Jessie | From:SeekIC

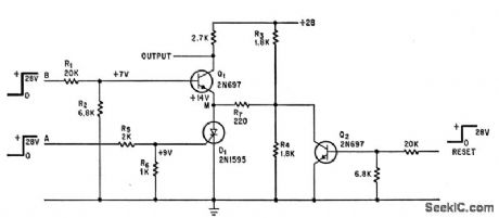
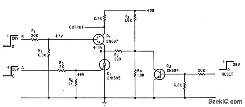
Output occurs only when event signal at A precedes event signal at B. Other sequences are ignored.-R. A. Wilson, Two Events, in Sequence, Produce Detector Output, Electronics,39:16, p 120-121.
Reprinted Url Of This Article:
http://www.seekic.com/circuit_diagram/Basic_Circuit/PULSE_SECIUENCE_DETECTOR.html
Print this Page | Comments | Reading(3)
Code: