Published:2009/7/12 21:57:00 Author:May | From:SeekIC



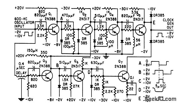
Oscillator input through Q1 switches Q2 on,and same input fhrough Q3 switche Q2 of afer fixed delay, to produce desired rectangular clock pulse.-S.Schoen,Transistors Provide Computer Clock Signals, Electronics, 32:9, p70-72.
Reprinted Url Of This Article:
http://www.seekic.com/circuit_diagram/Basic_Circuit/PULSE_SHAPER_FOR_600_KC_CLOCK.html
Print this Page | Comments | Reading(3)
Code: