Published:2009/7/21 0:07:00 Author:Jessie | From:SeekIC

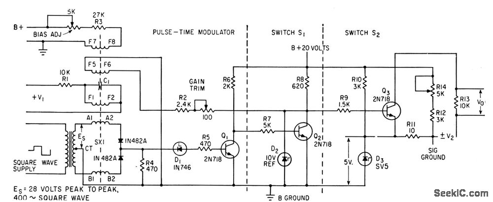
Output transistor Q3 servas as series switch driven by Q2 and magnetic modulator to give accurate analog multiplication.-W. R. Seegmiller, Accurate Analog Computation with Pulse-Time Modulation, Electronic, 35:13, p 54-57.
Reprinted Url Of This Article:
http://www.seekic.com/circuit_diagram/Basic_Circuit/PULSE_TIME_MODULATOR_USES_TWO_QUAD_RANT_MULTIPLIER.html
Print this Page | Comments | Reading(3)
Code: