Published:2009/7/9 4:19:00 Author:May | From:SeekIC

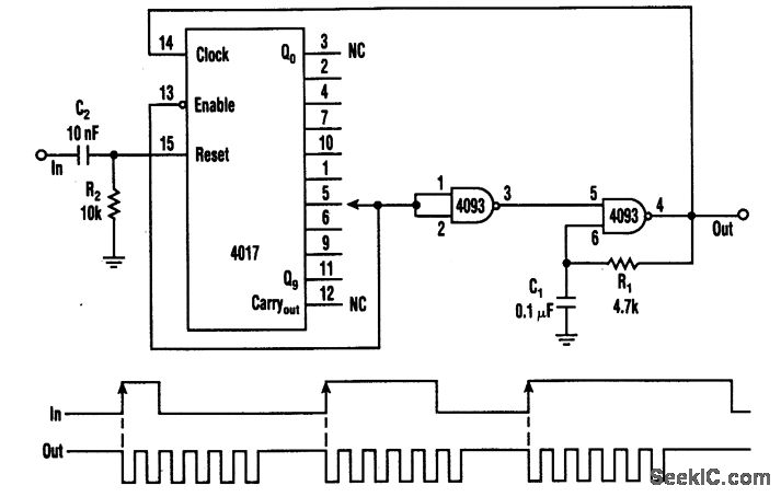
This circuit has a rate multiplier usmg a 4093 Schmitt trigger as an oscillator,driving a 4017 decadecounter. When a pulse present at the input(to C2)4017 is reset,output zero goes high,and outputs 1 to 9 go low.The oscillator(4093)starts runrung and the 4017 counts the pulses until the 4017 output(1 to 9)connected to pin 1 and 2 of the 4093 goes high.The osciffator IS inhibited and the output remains high until the next input pulse.
Reprinted Url Of This Article:
http://www.seekic.com/circuit_diagram/Basic_Circuit/PULSE_TRAIN.html
Print this Page | Comments | Reading(3)
Code: