Published:2009/7/6 9:37:00 Author:May | From:SeekIC

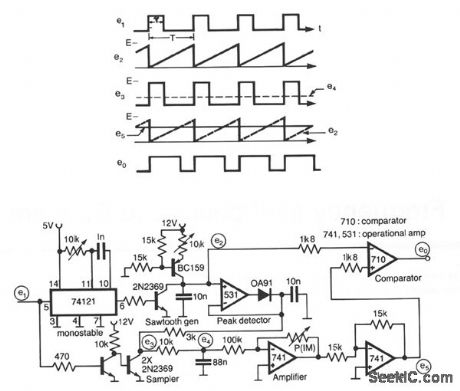
This circuit for multiplying the width of incoming pulses by a factor greater or less than unity is simple to build and has the feature that the multiplying factor can be selected by adjusting one potentiometer only. The multiplying factor is determined by setting the potentiometer in the feedback of the 741 amplifier. The input pulses e1, width T and repetition period T is used to trigger a sawtooth generator at its rising edges to produce the waveform e2 having a peak value of E volts. This peak value is then sampled by the input pulses to generate the pulse train e3 having an average value of e4(= ET/T) which is proportional to T and independent on T. The dc voltage e4 is amplified by a factork and compared with sawtooth waveform e2 giving output pulses of duration kT. The circuit is capable of operating over the frequency range 10 kHz- 100 kHz. Note that ic should be chosen less than T/T to ensure accurate pulse-width multiplication.
Reprinted Url Of This Article:
http://www.seekic.com/circuit_diagram/Basic_Circuit/PULSE_WIDTH_MULTIPLIER.html
Print this Page | Comments | Reading(3)
Code: