Published:2009/7/14 8:38:00 Author:May | From:SeekIC

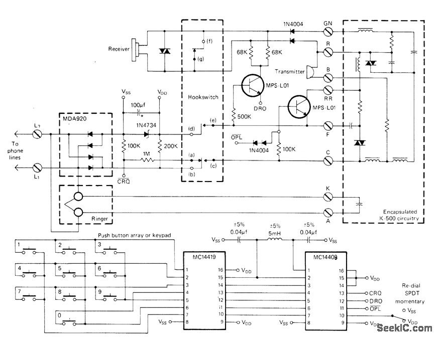
Combination of Motorola MC14419 keypad-to-binary converter and MC14408 BCD-to-dial telephone pulse convener is used with 10-switch push-button array to provide correct chain of pulses for dialing number on conventional dial-telephone system. Eleventh SPDT button is used for redial feature; if line called is busy, one press of redial button dials number over again. Number is stored for repeated use until new number is dialed. Check local telephone company regulations before making connections to telephone lines.-I. Math, A Push-Button to Dial Tele-phone Converter, CQ, Sept. 1976, p 36-37.
Reprinted Url Of This Article:
http://www.seekic.com/circuit_diagram/Basic_Circuit/PUSHBUTTON_TO_DIAL_CONVERTER.html
Print this Page | Comments | Reading(3)
Code: