Published:2009/7/14 1:05:00 Author:May | From:SeekIC

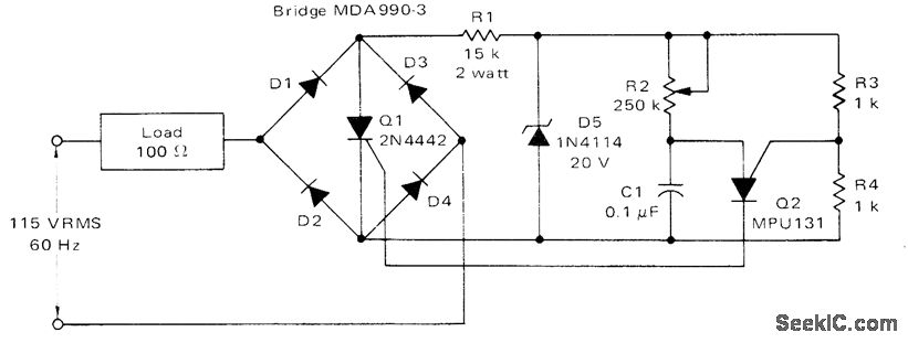
Programmable unijunction transistor Q2 provides phase control for both halves of AC line voltage by triggering SCR connected across bridge. Relaxation oscillator formed by Q2 varies conduction interval of Q1 from 1 to 7.8 ms or from 21.6° to 168.5°, to give control over 97% of power available to load.-R. J. Haver and B. C. Shiner, Theory, Characteristics and Applications of the Programmable Unijunction Transistor, Motorola, Phoenix, AZ, 1974, AN-527, p 10.
Reprinted Url Of This Article:
http://www.seekic.com/circuit_diagram/Basic_Circuit/PUT_CONTROLS_SCR.html
Print this Page | Comments | Reading(3)
Code: