Published:2014/1/7 19:54:00 Author:lynne | Keyword: Palio dashboard circuit, | From:SeekIC

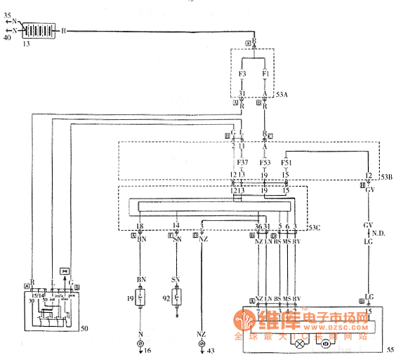
Palio dashboard circuit shown in Figure:
Reprinted Url Of This Article:
http://www.seekic.com/circuit_diagram/Basic_Circuit/Palio_dashboard_circuit.html
Print this Page | Comments | Reading(3)
Code: