About SeekIC | Services | Payment | Advertisements service | Contact Us | Links
© 2008-2012 SeekIC.com Corp.All Rights Reserved.
Published:2009/7/23 20:38:00 Author:Jessie | From:SeekIC

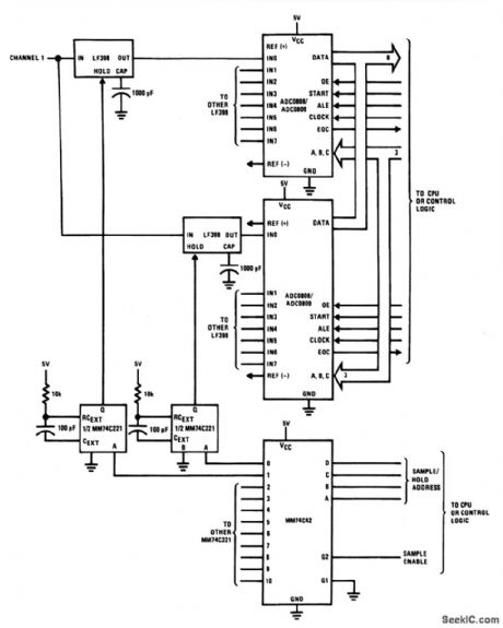
This circuit uses ADC0808/0809 ICs and LF398 sample/hold ICs to form an 8-channel parallel data-acquisition system. Sample/hold is accessed through an MM74C42 which pulses an MM74C221, generating a sample pulse. After each sample/hold has sampled the signal, the appropriate channel information is processed by the ADC (as described in Fig.6-13).
Reprinted Url Of This Article:
http://www.seekic.com/circuit_diagram/Basic_Circuit/Parallel_data_acquisition_with_sample_hold.html
Print this Page | Comments | Reading(3)
Response in 12 hours
© 2008-2012 SeekIC.com Corp.All Rights Reserved.
Code: