About SeekIC | Services | Payment | Advertisements service | Contact Us | Links
© 2008-2012 SeekIC.com Corp.All Rights Reserved.
Published:2009/7/23 22:20:00 Author:Jessie | From:SeekIC

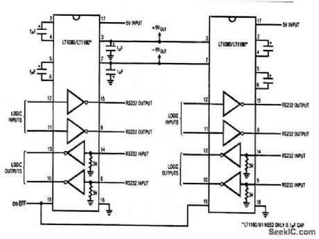
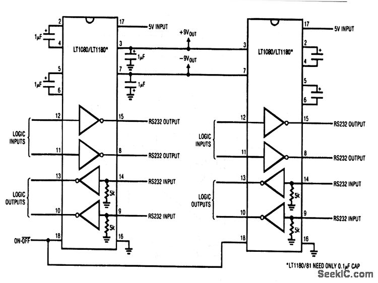
This circuit shows two LT1080 RS-232 transceivers operated from 5-V power. Twice the output current is available for external use. Also, the circuit produces ±9-V power output, as needed. The circuit eliminates two capacitors, although individual charge-pump capacitors are still needed on each device.
Reprinted Url Of This Article:
http://www.seekic.com/circuit_diagram/Basic_Circuit/Parallel_power_RS_232_transceivers.html
Print this Page | Comments | Reading(3)
Response in 12 hours
© 2008-2012 SeekIC.com Corp.All Rights Reserved.
Code: