Published:2012/9/3 1:44:00 Author:Ecco | Keyword: Phase-Sensitive, Sinusoidal Signals, Detector | From:SeekIC



Source: freecircuitdiagram
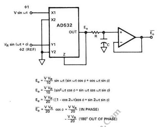
Using the phase sensitive detector circuit below the magnitude of sinusoidal signal can be measured. Beside that, this circuit also can be used to measures 180°-out-of-phase inputs with proper polarity. But, it depends on the relationship to the reference with less than 1% error. This circuit uses a AD741J op amp. Here is the schematic diagram of the circuit and the pin configuration of AD532:
Reprinted Url Of This Article:
http://www.seekic.com/circuit_diagram/Basic_Circuit/Phase_Sensitive_Sinusoidal_Signals_Detector.html
Print this Page | Comments | Reading(3)
Code: