Published:2012/8/29 21:30:00 Author:Ecco | Keyword: Phase adjustable | From:SeekIC


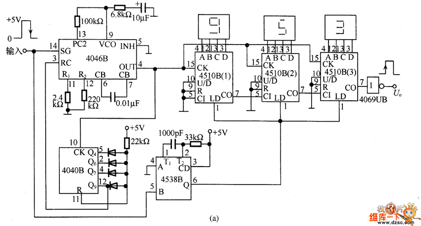
In the diagram (a), it is a phase adjustable circuit with digital set composed of PLL IC, and the PLL IC 4046B and divider 4040B form the circuit with output signal frequency being 360 times of the input signal frequency, and the following is counter 451OB with the digital switch so that the phase change between 0 ~ 360°. The circuit's operating frequency range is from several tens to several hundreds Hz the phase is 0 ~ 360 °, and the resolution is 1 °. The drawback of the circuit is slow to respond, and needs to be set with digit.
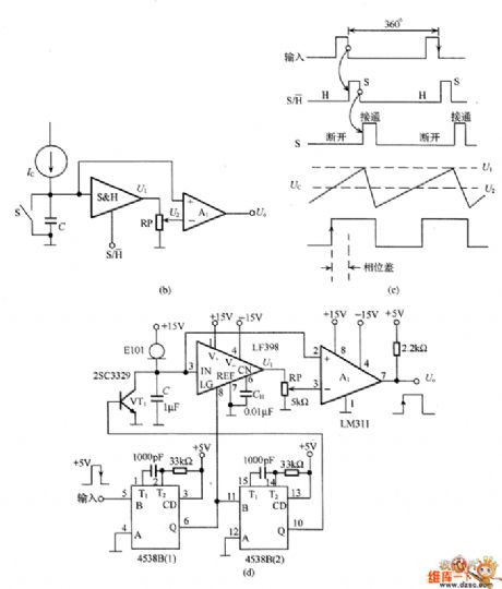
Figure (b) shows circuit scheme, FIG (c ) is an operation timing diagram. In the diagram (b), the current flowscapacitor C to become the constant current IC, then the voltage Uc on C raises like the straight line shown in (c).
Reprinted Url Of This Article:
http://www.seekic.com/circuit_diagram/Basic_Circuit/Phase_adjustable_circuit_diagram.html
Print this Page | Comments | Reading(3)
Code: